Наружный блок VRF системы Haier AU052FNERA
Рассчитывается по правилу: на каждые 10 м² площади требуется около 1 кВт мощности.
Заложите запас +20% - 40% к площади, если:
1. солнечная сторона.
2. много разной техники и людей.
3. высота потолков более 2,7м.
4. остекление в пол или панорамные кона.
Количество холода, которое кондиционер вырабатывает в режиме охлаждения. От этого параметра зависит, на какую площадь и при каких условиях техника способна эффективно работать.
Максимальное количество тепловой энергии, которое кондиционер вырабатывает в режиме обогрева. От этого показателя зависит, какую площадь и при какой температуре он способен эффективно отапливать.
Указывает конструкцию и способ установки кондиционера: настенный, кассетный, канальный, напольно-потолочный и др. Тип влияет на зону применения и особенности монтажа.
Компания, выпустившая оборудование. От производителя зависят качество, надежность и гарантия товара.
Внешний блок Haier AU052FNERA мультизональной системы
Внешний блок Haier AU052FNERA является неотъемлемой частью мультизональной системы кондиционирования воздуха. Эта система предназначена для обеспечения комфортных условий в нескольких помещениях одновременно.
Haier AU052FNERA обладает высокой эффективностью и надежностью работы, что делает его идеальным выбором для домашнего или коммерческого использования. Благодаря своей компактности и современному дизайну, он легко интегрируется в любой интерьер.
Оснащенный передовыми технологиями, внешний блок AU052FNERA обеспечивает быстрое и равномерное распределение холодного или горячего воздуха в помещении. Он также имеет функцию автоматического регулирования температуры, что позволяет поддерживать комфортный климат в любое время года.
Преимущества Haier AU052FNERA
- Передовые технологии
Увеличение энтальпии за счет восполнения потока газа обеспечивает высокую производительность блока.
Технология с двухступенчатым циклом переохлаждения, повышает эффективность блока на 9 % (двойной вентилятор).
Максимальное переохлаждение до 30 °C, увеличивает холодопроизводительность блока на 46 % - Высокие коэффициенты EER и COP (8/10/12 HP)
При использовании DC-инверторного компрессора Haier потребляемая мощность на 5 % ниже (14 кВт) DC-двигатель вентилятора и вентилятор большого диаметра 550 мм Потребляемая мощность на 38 % ниже, а воздушный поток на 8 % больше. Теплообменник большего размера Увеличение площади теплообмена на 10 % - Новый двухроторный компрессор с DC-инверторным управлением
Небольшое изменение крутящего момента, хорошая динамическая уравновешенность, стабильная работа системы, небольшая вибрация, низкий уровень шума, высокая эффективность. Более высокая эффективность при неполной нагрузке. - Работа с низким уровнем шума
DC-инверторный компрессор, плавная работа, отсутствие необходимости частого запуска, эффективное снижение шума наружного блока.
Векторное инверторное управление, повышенная точность управления.
В DC‐двигателе вентилятора используется нерезонансная конструкция кронштейна, которая обеспечивает плавную работу двигателя и снижает уровень шума при эксплуатации.
Вентилятор большого диаметра, конструкция которого соответствует принципу снижения аэродинамического шума. - DC-инверторный электродвигатель вентилятора
Более высокая производительность DC‐инверторного двигателя вентилятора при частичной нагрузке.
16‐ступенчатая регулировка скорости; высокая эффективность работы, в особенности на низкой скорости.
Повышение эффективности на 45 % по сравнению с AC‐двигателем и существенное снижение потребляемой мощности.
Вентилятор большого диаметра 570 мм, усиленный воздушный поток и высокая эффективность (8/10/12 HP) - Панель отображения параметров
Удобный доступ для контроля параметров на дисплее через смотровой люк - Широкий диапазон рабочих температур
Благодаря новым приводам компрессора и вентиляторов наружного блока, а также оптимизированной конструкции теплообменника наружного блока обеспечивается широкий диапазон рабочих температур: от –5 °C до +50 °C для охлаждения и от –15 °C до +27 °C для обогрева. - Простое обслуживание систем управления
Блок управления находится спереди, между блоком управления и верхней панелью поддерживается зазор 108 мм, что обеспечивает простоту обслуживания сверху. Блок управления имеет шарнирную конструкцию, легко открывается для обслуживания (8/10/12 HP).
Внешний блок Haier AU052FNERA является надежным и эффективным компонентом мультизональной системы кондиционирования воздуха, который обеспечивает комфортные условия в помещении и снижает энергозатраты.
Технические характеристики | |
Рекомендуемая площадь (м2)
Рассчитывается по правилу: на каждые 10 м² площади требуется около 1 кВт мощности. | 140 |
Мощность охлаждения (кВт)
Количество холода, которое кондиционер вырабатывает в режиме охлаждения. От этого параметра зависит, на какую площадь и при каких условиях техника способна эффективно работать. | 14000 |
Мощность обогрева (кВт)
Максимальное количество тепловой энергии, которое кондиционер вырабатывает в режиме обогрева. От этого показателя зависит, какую площадь и при какой температуре он способен эффективно отапливать. | 14000 |
Тип кондиционера
Указывает конструкцию и способ установки кондиционера: настенный, кассетный, канальный, напольно-потолочный и др. Тип влияет на зону применения и особенности монтажа. | Мульти-зональные системы |
Производитель
Компания, выпустившая оборудование. От производителя зависят качество, надежность и гарантия товара. | Haier |
Гарантия
Срок, в течение которого производитель или продавец обязуется бесплатно устранять неисправности оборудования при соблюдении правил эксплуатации. | 3 года |
Типоразмер наружного блока (HP)
Мощность наружного блока в «лошадиных силах». 1 HP примерно равен 0,75 кВт холода. Например, 2 HP — это около 1,5 кВт, а 5 HP — примерно 3,7 кВт. Чем больше показатель, тем производительнее оборудование. | 5 |
Количество подключаемых блоков
Максимальное число внутренних блоков, которое можно подключить к одному наружному. Чем больше поддерживается блоков, тем больше помещений можно обслуживать одной системой. | 8 |
Класс энергоэффективности
Показатель экономичности работы оборудования. Чем выше класс (A+, A++, A+++), тем меньше расход электроэнергии при той же мощности. | A |
Потребляемая мощность при охлаждении (Вт)
Количество электроэнергии, которое кондиционер расходует в режиме охлаждения. Чем ниже показатель при одинаковой производительности, тем экономичнее устройство. | 5000 |
Потребляемая мощность при обогреве (Вт)
Количество электроэнергии, которое кондиционер расходует в режиме обогрева. Этот параметр помогает оценить затраты на отопление помещения. | 4830 |
Электропитание (В. / фаза)
Указывает напряжение и тип подключения кондиционера: 220 В — однофазное питание (для квартир и домов), 380 В — трёхфазное (для коммерческих объектов). | 220-240 / 1 |
Максимальный воздушный поток - (м3/ч)
Объём воздуха, который кондиционер способен прокачивать через себя за час работы. Чем выше показатель, тем быстрее охлаждается или обогревается помещение. | 90 |
Режим работы | |
Технология
Определяет принцип работы компрессора. Инверторные кондиционеры плавно регулируют мощность, экономят электроэнергию и тише работают. Неинверторные — работают на полной мощности и периодически включаются/выключаются. | ИНВЕРТОР |
Режим работы
Основные функции кондиционера: охлаждение, обогрев, вентиляция, осушение. Набор режимов зависит от модели и определяет универсальность устройства. | ТЕПЛО / ХОЛОД |
Габариты и вес | |
Наружный блок - (ШхВхГ)
Габаритные размеры наружного блока кондиционера: ширина, высота и глубина в миллиметрах. Эти параметры важны при выборе места для монтажа на фасаде или балконе. | 950x965x370 |
Вес (кг.)
Фактический вес оборудования без упаковки. Важно учитывать при выборе места установки, транспортировке и монтаже. | 90 |
Общая характеристика | |
Артикул
Уникальный код товара, присвоенный производителем или магазином. Используется для быстрого поиска и идентификации модели. | 14405 |
Уровень шума н/б - (дБ)
Определяет уровень шум работы наружного блока. Важно учитывать при установке на балконе или фасаде, чтобы снизить шумовое воздействие на жильцов и соседей. | 60 |
Тип компрессора
Конструктивное исполнение компрессора: спиральный, ротационный, поршневой или инверторный. | Роторный |
Производитель компрессора
Марка и страна производителя компрессора (например, GMCC, Mitsubishi Electric, Panasonic). | MITSUBISHI ELECTRIC |
Диаметр труб (жидкость / газ) мм.
Размер медных труб, соединяющих блоки кондиционера. Указывается отдельно для линии жидкого и газообразного хладагента. | 3/8 (9,52) / 5/8 (15,9) |
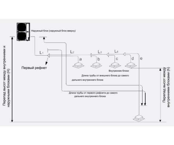
Суммарная длина трубопровода
Максимальная общая протяжённость трассы между блоками, которую допускает производитель без потери эффективности. | 120 |
Макс. (длина / перепад) коммуникации, (м)
Максимально допустимая длина соединительных труб между блоками и разница по высоте. Эти параметры важны для правильного монтажа и стабильной работы системы. | 70 / 30 |
Минимальный рабочий диапазон (нагрев / холод)
Температурные пределы, при которых кондиционер способен работать на обогрев и охлаждение. Важно учитывать для эксплуатации зимой и летом. | -15 / -5 |
Тип хладагента
Химическое вещество (фреон), используемое для охлаждения и обогрева воздуха. Наиболее распространены R410A и R32. От хладагента зависит эффективность и экологичность кондиционера. | R 410A |
Страна бренда
Страна, в которой зарегистрирован бренд. Не всегда совпадает с местом производства оборудования. | КНР |
Страна производства
Страна, где фактически изготовлен кондиционер. Влияет на контроль качества и восприятие бренда. | КНР |

При выборе формы оплаты с помощью банковской карты проведение платежа по заказу производится непосредственно после подтверждения его менеджером. После подтверждения заказа менеджером, Вы должны будете зайти в личный кабинет вашего заказа (по уникальному номеру заказа, полученному при оформлении) и нажать на кнопку «Оплата банковской картой», при этом система переведёт Вас на страницу авторизационного сервера Сбербанка, где Вам будет предложено ввести данные пластиковой карты, инициировать ее авторизацию, после чего вы сможете вернуться в наш магазин кликом по кнопке "Вернуться в магазин". После возвращения в наш магазин, система уведомит Вас о результатах авторизации.
Наличный расчет представляет собой прямую передачу денег продавцу «из рук в руки». Наличный расчет — это передача денежных купюр или монет от покупателя продавцу. Ограничений по сумме нет, если обе стороны сделки являются физическими лицами, а предмет оплаты не связан с ведением ими предпринимательской деятельности. Если товар доставляется курьером, то оплата осуществляется наличными курьеру в руки. При получении товара обязательно проверьте комплектацию товара, наличие гарантийного талона и чека.
Счета обычно формируются после достижения договоренности между двумя сторонами сделки. Продавец и покупатель могут договориться устно. Выставление счёта на оплату возможно до выполнения поставок (тогда речь идет об авансовых платежах) и по факту продажи или выполненных работ.
Перевод по QR — это вид безналичной оплаты, для которого продавцу не нужен терминал, а покупателю — банковская карта. Вместо этого используется графический код с зашифрованной платёжной информацией: номером расчётного счёта и иногда суммой покупки. Клиент сканирует изображение камерой телефона и переводит деньги по реквизитам через приложение своего банка.
Выгодная покупка - это просто! Разбивайте платеж на несколько частей, выбрав удобный график - на 2, 4 или 6 месяцев.
Покупка уже ваша - при оформлении заказа спишется только первый платёж, остальные списываются по графику.
Для оформления не требуется анкета и документы, оформление происходит в один клик.
Как оплатить товар в Сплит?
- Добавьте товар в корзину;
- В способах оплаты выберите "Яндекс Пэй и Сплит";
- Выберите подходящий сплит. На 2 месяца бесплатно, 4 и 6 месяцев - с комиссией;
- Оплатите заказ - списывается первый взнос.

Расписание следующих платежей будет отображено при оформлении Сплита.
*Акции и подарки не суммируется при выборе оплаты через Яндекс Пей и Яндекс Сплит
Решение за 1—2 минуты. СМС-подписание без встреч и бумаг.
Для выбора оплаты товара с помощью банковской карты на соответствующей странице необходимо нажать кнопку «Оплата заказа банковской картой».
![]() |
![]() |
![]() |
![]() |
![]() |
![]() |
Стандартная установка кондиционера - это типовой и простой вариант установки кондиционера:
- Длина коммуникаций кондиционера не превышает 4 м.
- Коммуникации внутри помещения закрываются декоративным коробом белого цвета, сечением 74х55, 40х60. длиной до 1 м. короб располагается с наклоном 5-7° для слива конденсата.
- Дренажная труба для слива конденсата от внутреннего блока выводится наружу.
- Коммуникации снаружи здания располагаются вдоль стены, при этом укладывание коммуникаций в декоративный короб не производится.
- Силовой кабель прокладывается до электрической розетки до 2 м.
- Кронштейн с креплением - 1 комплект.
- Проход отверстия диаметром до 45 мм - 1 отверстие.
- Внутренний блок кондиционера устанавливается на стену.
- Внешний блок кондиционера устанавливается под окном без привлечения промышленного альпиниста.
- Толщина стены, в которой пробивается отверстие под трассу, не превышает 0,6 метра - в кирпиче, и 0,4 метра - в бетоне.
- Стандартная установка кондиционера занимает от 2 до 3 часов.
Любые отклонения от стандартной установки приводят к удорожанию работ.













































































































